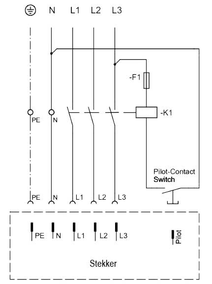
CEE stopcontact inbouw recht 5P/63A IP67 met pilootcontact
EL-3356-6
CEE stopcontact inbouw recht 5P/63A IP67 met piloot contact systeem

CEE stopcontact inbouw recht (100x100) 63A 5p 6h IP67 PCS POWER TWIST
behuizingsmateriaal: PA6
nominale stroom: 63A
aantal polen: 5 (3P+N+PE)
klokpositie: 6h
nominale spanning/frequentie: 200/346V~ - 240/415V~ / 50+60Hz
contacten: messing, met lamellenveer (CuBe)
aansluittechniek: frameaansluitingen met schroeven
afmetingen (flens/bevestigingscentrum): 100x100 mm / 80x80 mm
met pilootcontactsysteem PCS (hulpschakelaar 2A)
IP-beschermingsklasse: IP66/IP67
Eigenschappen
| Polen | 5P - 6h |
| Netspanning | 3x400V+N |
| Stroomsterkte | 63A |
| IP norm | IP67 |
| Flens | 100x100 |
| Hoek stekker | Recht |